Evaporator & Heater Components for 1989 Chevrolet Camaro
No.
Part # / Description / Price
Price
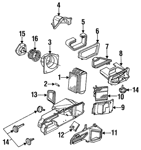
2
Air Conditioning Orifice Tube
GM
GM Description: Restores A/C performance due to restricted orifice tubes
This GM Genuine Part is designed, engineered, and tested to rigorous standards and is backed by General Motors
Original equipment parts are designed to work with your GM vehicle safety systems -- aftermarket replacement parts may not meet the same OE safety regulations, depending on the part type
MSRP $19.05
$11.76
MSRP $19.05
$11.76
14
14
Actuator
GM
GM Notes: PARTS: Does not include linkage rod.
Description: With ac, to rear valve flap. Without ac, to valve flap.
15
Heating and Air Conditioning Blower Motor with Wheel
GM
GM Description: With ac. Corvette. For A/C Belt. Bolt On. Incl.Impeller. All models. Automatic Temperature Controls. Permanently lubricated, self-aligning bearings designed for long life and dependable performance
This GM Genuine Part is designed, engineered, and tested to rigorous standards and is backed by General Motors
Original equipment parts are designed to work with your GM vehicle safety systems -- aftermarket replacement parts may not meet the same OE safety regulations, depending on the part type
MSRP $108.31
$63.87
MSRP $108.31
$63.87
15
Acdelco™ Blower Motor
GM
GM Description: With ac. For A/C Belt. Incl.Impeller. Bolt On. Corvette. Automatic Temperature Controls. All models.
Related Parts
Part # / Description / Price
Price
