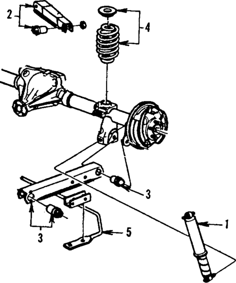
Rear Suspension for 1986 Oldsmobile Cutlass Supreme
No.
Part # / Description / Price
Price
N/A
Suspension Control Arm Bushing
GM
GM Description: Front. Caballero, El Camino. Without 8.50 dia. Lower control bushings. Optional. Performance Package.
1
Acdelco™ Shock Absorber
GM
GM Description: With h.d. suspension. Standard Duty Suspension. Exc.Self-Leveling Suspension. Exc.Heavy Duty Suspension. Ride & Handling Suspension. Standard Duty Trans.
1
Premium Gas Charged Rear Shock Absorber
GM
GM Description: Standard. With h.d. suspension. A hardened, chromed piston rod with micro cracks provides an ultra-smooth, self-lubricating, corrosion- and scratch-resistant surface, helping increase seal life
Drawn over mandrel (DOM) pressure cylinder for high quality se ...
MSRP $77.83
$46.48
MSRP $77.83
$46.48
2
2
Control Arm
GM
GM Description: 0 deg. Code xr, xn, xp & xx. Control arm. Caballero, El Camino. Upper, xr, xn, xp, xx. Zero degrees.
3
Suspension Control Arm
GM
GM Description: Caballero, El Camino. Lower control arm. All models. Stamped #xs,xu,an,xt.
3
Suspension Control Arm Bushing
GM
GM Description: Caballero, El Camino. Rear. Exc.Performance Package. Lower control bushings. Standard.
5
5
Stabilizer Bar
GM
GM Description: Buick. 19 mm. Caballero, El Camino. 19 mm dia. Without touring package.
5
Stabilizer Bar
GM
GM Description: Chevrolet. .87 dia. Pontiac. .87 dia. With touring package. 22mm. Caballero, El Camino. 22 mm.
2 This part contains hazardous materials. Extra shipping costs apply.
No.
Part # / Description / Price
Price
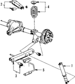
4
Control Arm
GM
GM Description: 0 deg. Code xr, xn, xp & xx. Control arm. Caballero, El Camino. Upper, xr, xn, xp, xx. Zero degrees.
4
5
Suspension Control Arm Bushing
GM
GM Description: Front. Caballero, El Camino. Without 8.50 dia. Lower control bushings. Optional. Performance Package.
5
Control Arm
GM
GM Description: Lower. Standard. Without handling susp. All models. Without touring suspension. Exc.Ride & Handling Suspension.
6
Coil Spring
GM
GM Notes: PARTS: Order by code.
Description: All models. Codes. Ncn. Sedan, with ride & handling. Cadillac. Ride & handling susp.
9
Premium Gas Charged Rear Shock Absorber
GM
GM Description: Standard. With h.d. suspension. A hardened, chromed piston rod with micro cracks provides an ultra-smooth, self-lubricating, corrosion- and scratch-resistant surface, helping increase seal life
Drawn over mandrel (DOM) pressure cylinder for high quality se ...
MSRP $77.83
$46.48
MSRP $77.83
$46.48
9
Acdelco™ Shock Absorber
GM
GM Description: With h.d. suspension. Standard Duty Suspension. Exc.Self-Leveling Suspension. Exc.Heavy Duty Suspension. Ride & Handling Suspension. Standard Duty Trans.
No.
Part # / Description / Price
Price
N/A
Side Gear Washer
GM
GM Description: Side washers. Express, savana. Without limited slip. All. Without 7 1/2 ring gaer. 8 1/2 ring gear. Buick, chevrolet, olds. 8.50 ring gear. G10-20 vans. Cadillac. Side gear thrust washer.
N/A
Washer,Diff P/Gr Thr
GM
GM Description: These are Sold Individually. This GM Genuine Part is designed, engineered, and tested to rigorous standards and is backed by General Motors
MSRP $37.15
$26.10
MSRP $37.15
$26.10
N/A
Pinion Washer
GM
GM Description: 8 3/4 ring gear. 8 7/8 ring gear. Diff pinion thrust washer. All models.
N/A
Gear Kit
GM
GM Description: 7 1/2 ring gear. Gear kit. Caballero, El Camino. Without locking differential. Without 3.73 ratio. Buick, chevrolet, olds. 7.50 ring gear. 8 1/2 ring gear. 1989-90. Sedan. Auto trans.
N/A
Thrust Washer
GM
GM Description: Without locking axle. 7 1/2 ring gear. Buick, chevrolet, olds. 7.50 ring gear.
N/A
N/A
Differential Drive Pinion Gear Yoke
GM
GM Description: This GM Genuine Part is designed, engineered, and tested to rigorous standards and is backed by General Motors
Not For Sale
Not For Sale
N/A
Drive Shaft Slip Yoke
GM
GM Description: All models. Caballero, El Camino. 3.8l. 3.4l. This GM Genuine Part is designed, engineered, and tested to rigorous standards and is backed by General Motors
N/A
Yoke Kit
GM
GM Description: All. G10-20 vans. G30 vans. 8.5 ring gear. Without 7 1/2 ring gear. Blazer/Sonoma/S10. S-series. Manual trans.
MSRP $245.28
$162.11
MSRP $245.28
$162.11
N/A
2
Rear Wheel Bearing Seal
GM
GM Description: This GM Genuine Part is designed, engineered, and tested to rigorous standards and is backed by General Motors
MSRP $20.71
$12.62
MSRP $20.71
$12.62
3
Axle Bearings
GM
GM Description: S-series. All models. 8 7/8 ring gear. Sedan. All models. 7 1/2 ring gear. Caballero, El Camino. Buick, chevrolet, olds.
4
Differential Case
GM
GM Description: 8 1/2 ring gear. 2.41-2.56 ratio. All. 8 1/2 ring gear. 2.93 ratio. G10-20 vans.
4
Differential Case
GM
GM Description: S-series. Without positraction. 3.23, 3.42, 3.73 ratio. 7 1/2 ring gear. 3.23-3.42 ratio. Caballero, El Camino. Without locking differential.
4
Differential Case
GM
GM Description: S-series. Without positraction. 2.56, 2.73, 3.08 ratio. 7 1/2 ring gear. 2.29-3.08 ratio. Caballero, El Camino. With locking differential. 7 1/2 ring gear. 2.73-2.56 ratio.
7
Clutch Disc
GM
GM Description: 8 1/2 ring gear. With eaton type. 8 7/8 ring gear. 8 3/4 ring gear. All models. Clutch kit.
8
Ring & Pinion
GM
GM Description: 8 1/2 ring gear. 2.73 ratio. All models. 2.73 ratio. G10-20 vans. 2.73 ratio. Buick, chevrolet, olds. 2.73 gear ratio.
8
8
Ring & Pinion
GM
GM Description: 7 1/2 ring gear. 2.41 ratio. 7 1/2 ring gear. 2.93 ratio. Caballero, El Camino. 2.41 ratio.
8
8
8
Ring & Pinion
GM
GM Description: 7 1/2 ring gear. 2.73 ratio. S-series. 2.73 ratio. Caballero, El Camino. 2.73 ratio.
8
Ring & Pinion
GM
GM Description: 8 1/2 ring gear. 2.56 ratio. All. 2.56 ratio. All. 10-20 series. G10-20 vans. 2.56 ratio. Buick, chevrolet, olds. 8.50 ring gear. With 2.56 gear ratio.
8
Ring & Pinion
GM
GM Description: All. 3.08 ratio. 8 1/2 ring gear. 3.08 ratio. G10-20 vans. 3.08 ratio.
9
Multi Purpose Bearing with Race
GM
GM Description: Help minimize wear and friction in a variety of applications on your vehicle
This GM Genuine Part is designed, engineered, and tested to rigorous standards and is backed by General Motors
MSRP $110.40
$65.11
MSRP $110.40
$65.11
9
Spacer,Diff Drv P/Gr Brg
GM
GM Description: This GM Genuine Part is designed, engineered, and tested to rigorous standards and is backed by General Motors
MSRP $17.65
$12.26
MSRP $17.65
$12.26
9
Spacer,Diff Drv P/Gr Brg
GM
GM Description: These are Sold Individually. This GM Genuine Part is designed, engineered, and tested to rigorous standards and is backed by General Motors
MSRP $52.15
$36.65
MSRP $52.15
$36.65
9
Differential Drive Pinion Gear Outer Bearing
GM
GM Description: Help minimize wear and friction in a variety of applications on your vehicle
This GM Genuine Part is designed, engineered, and tested to rigorous standards and is backed by General Motors
MSRP $73.58
$43.95
MSRP $73.58
$43.95
9
Pinion Bearings
GM
GM Description: Rear. 7 1/2 ring gear. 3 1/4 outer dia. Rear. 7 1/2 ring gear. 3.125 o. d.
9
Related Parts
Part # / Description / Price
Price
Manual Transmission Countershaft Gear Rear Bearing
GM
GM Description: Help minimize wear and friction in a variety of applications on your vehicle
